А текст "no license" не влияет?
Я не смог прошить устройство правильно, оно не работает...
Не влияет.
Вы смогли прошить, чип прошился. Просто прошивка не настроенна полд Вашу схему. Выше Вам уже написали об этом.
- Подпись автора
USMicro(R) (C)2025
USMI |
Привет, Гость! Войдите или зарегистрируйтесь.
Вы здесь » USMI » MCU, SoC, CPU Микроконтроллеры » JL SoC. 杰理芯片
А текст "no license" не влияет?
Я не смог прошить устройство правильно, оно не работает...
Не влияет.
Вы смогли прошить, чип прошился. Просто прошивка не настроенна полд Вашу схему. Выше Вам уже написали об этом.
USMicro(R) (C)2025
Hi admin
I am from Vietnam
I have been following many of your posts about JL chip
Currently I have AC6969A2 IC and I know that it has 2 memory channels of 2 megabits equivalent to 256kbs.
I have tried to configure it using SDK following the instructions from your TPA3116D2 post.
However, even though I tried to disable modules in the board_ac696x_demo_cfg.h file, it still exceeds the capacity of 310kbs and cannot be loaded into this AC6969A2 CHIP.
Can you make a basic configuration guide to reduce the capacity for this chip? Thank you.
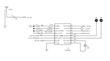
By the way, my chip is being tested on this circuit and diagram.

Отредактировано Dang Tien Thinh (2025-05-06 08:56:24)
Next, I used JLDFUTool.exe but it could not dump this AC6969a ic. Although just burning the key can dump the AC6965A and AC6969D ic.
I am sure all connections are ok, because jluboottool.py still works normally.
But using JLDFUTool.exe to dump AC6969A, it just runs the code randomly, in general it cannot dump.


Using jluboottool.py tool cannot save bin file, is there any other way to get data from AC6969A ic?
Hi admin
I am from Vietnam
I have been following many of your posts about JL chip
Currently I have AC6969A2 IC and I know that it has 2 memory channels of 2 megabits equivalent to 256kbs.
I have tried to configure it using SDK following the instructions from your TPA3116D2 post.
However, even though I tried to disable modules in the board_ac696x_demo_cfg.h file, it still exceeds the capacity of 310kbs and cannot be loaded into this AC6969A2 CHIP.
Can you make a basic configuration guide to reduce the capacity for this chip? Thank you.
By the way, my chip is being tested on this circuit and diagram.Отредактировано Dang Tien Thinh (Сегодня 08:56:24)
Sorry, I got a little confused between kbs and kb here, it should be 256kb.
Hi everyone!
Does anyone know about this chip?
The chip bases are very similar to the BP1048B1.🤔
Hi All
i have AC6951C8 chip and i wants to make a clock speaker with that. does anyone has a sample code for this application?
Господа, подскажите, пожалуйста.
Должен ли определяться в винде новый чип AC6901A с али, если он подключен вот так (это вариант подключения с гитхаба от christian-kramer)?
Ну, соответственно, только распиновка другая, от AC6901A:
Питалово с USB на 2 пин
Земля с USB на 1 пин
Кварц на 13-14 пины
Data- на 23 пин
Data+ на 24 пин
У меня он в диспетчере устройств висит с восклицательным знаком ("сбой запроса дескриптора устройства).
Хотя должно быть что-то вроде br17, насколько я понимаю.
Что я делаю не так?
Спасибо!
Отредактировано amironof (2025-05-22 00:44:50)
А обвязка, конденсаторы?
Нужны тольк клндеры, кварц, и соеденить земли все.
USMicro(R) (C)2025
Using jluboottool.py tool cannot save bin file, is there any other way to get data from AC6969A ic?
they can save. You do something wrong. Did u install addon to python?
USMicro(R) (C)2025
Ещё подскажите, пожалуйста, если подключаю магнитолу на AC6901A к компу по USB, а в диспетчере устройств на ПК ничего не появляется (и, соответственно, сама винда тоже никак не тилибонькает) - есть смысл пробовать собрать донгл и подключить ПК через него?
Может через донгл заведётся?
Спасибо.
Отредактировано amironof (2025-05-22 23:21:07)
Além disso, por favor me diga, se eu conectar o rádio AC6901A ao computador via USB e nada aparecer no gerenciador de dispositivos do PC (e, consequentemente, o próprio Windows também não funcionar), faz sentido tentar montar um dongle e conectar o PC por meio dele?
Talvez ele comece por meio de um dongle?
Obrigado.Editado por amironof (Hoje 17:21:07)
Из того, что я прочитал в темах, очевидно, что в Windows ничего не появится,
поскольку именно ключ обеспечивает связь,
чтобы чип перешел в режим программирования, а затем появился в Windows.
использую Google Translate, извините за любые ошибки в переводе
С наилучшими пожеланиями Nascimento_Br
Из того, что я прочитал в темах, очевидно, что в Windows ничего не появится,
поскольку именно ключ обеспечивает связь,
чтобы чип перешел в режим программирования, а затем появился в Windows.использую Google Translate, извините за любые ошибки в переводе
С наилучшими пожеланиями Nascimento_Br
Дело в том, что я для теста прошил чип при помощи "автопрошивальщика" (isd_download.exe). Чип прошился, но он виден в Windows.
Может как-то не так прошился, если не должен быть виден?
Ещё подскажите, пожалуйста, если подключаю магнитолу на AC6901A к компу по USB, а в диспетчере устройств на ПК ничего не появляется (и, соответственно, сама винда тоже никак не тилибонькает) - есть смысл пробовать собрать донгл и подключить ПК через него?
Может через донгл заведётся?
Спасибо.Отредактировано amironof (2025-05-22 22:21:07)
Дело в том, что я для теста прошил чип при помощи "автопрошивальщика" (isd_download.exe). Чип прошился, но он виден в Windows.
Может как-то не так прошился, если не должен быть виден?
Так виден или не виден? И как что виден?
Приветствую !
Есть несколько модулей MH-M18, покупались с целью задействовать USB флешку. При ее подключении ничего не происходит. При подключении в комп определяется как звуковая карта + BR25 udisk, только если сначала подать питание, дождаться инициализации, а потом воткнуть до полного подключения.
Тулзой определяется так:
Searching for some JieLi devices..
Found a device: BR25 UBOOT1.00 (1.00) at \\.\HardDiskVolume17
Waiting for [\\.\HardDiskVolume17] try! ok (BR25 UBOOT1.00 1.00)
Chip: BR25 - AC636N/AC696N/AC608N series
Running loader with argument 0x0001.
The Loader has been successfully installed.
================ Quick info ==================
** BR25 (AC636N/AC696N/AC608N series) **
>> Chip key: 0x2606 <<
- Online device:
ID: 0xcd7013
Type: 0x03 (SPI NOR flash on SPI0)
==============================================
Дамп слил, даже вроде получилось его разобрать, а вот дальше затык...
С Ардуино и ESP получается что-то А здесь въехать не могу. Собственно нужно чтобы с флешки mp3 играло. Может под это уже готовая прошивка есть?
Так виден или не виден? И как что виден?
Тот, который в магнитоле, - не виден.
А прошил я новый с алишки через USB без донгла этим способом.
Поэтому вопрос - должен ли он после такой прошивки перестать быть виден?
Если да, то, вероятно, перепрошил как-то неправильно?
В диспетчере новый проц виден как "Запоминающее устройство". А если копнуть в свойства в Моем компьютере, то там br17 UBOOT1.00
Приветствую !
Есть несколько модулей MH-M18, покупались с целью задействовать USB флешку. При ее подключении ничего не происходит. При подключении в комп определяется как звуковая карта + BR25 udisk, только если сначала подать питание, дождаться инициализации, а потом воткнуть до полного подключения.
Тулзой определяется так:
Searching for some JieLi devices..
Found a device: BR25 UBOOT1.00 (1.00) at \\.\HardDiskVolume17
Waiting for [\\.\HardDiskVolume17] try! ok (BR25 UBOOT1.00 1.00)Chip: BR25 - AC636N/AC696N/AC608N series
Running loader with argument 0x0001.
The Loader has been successfully installed.================ Quick info ==================
** BR25 (AC636N/AC696N/AC608N series) **
>> Chip key: 0x2606 <<
- Online device:
ID: 0xcd7013
Type: 0x03 (SPI NOR flash on SPI0)
==============================================Дамп слил, даже вроде получилось его разобрать, а вот дальше затык...
С Ардуино и ESP получается что-то А здесь въехать не могу. Собственно нужно чтобы с флешки mp3 играло. Может под это уже готовая прошивка есть?
С дампом здесь заниматься бесполезно, нужно конфигурировать сдк под ваши нужды, компилировать и прошивать.
Тот, который в магнитоле, - не виден.
А прошил я новый с алишки через USB без донгла этим способом.
Поэтому вопрос - должен ли он после такой прошивки перестать быть виден?
Если да, то, вероятно, перепрошил как-то неправильно?В диспетчере новый проц виден как "Запоминающее устройство". А если копнуть в свойства в Моем компьютере, то там br17 UBOOT1.00
С дампом здесь заниматься бесполезно, нужно конфигурировать сдк под ваши нужды, компилировать и прошивать.
Попробовал прошить скомпилированный файл который с SDK шел, потребовал key файл, после этого прошилось. Стала называться JL_soundbox_1 и китайская женщина заговорила. Как диск плата перестала видеться.
Ардуиной загнал в бут мод, зашил дамп обратно. С сдк разобраться пока не получается... Есть какие-то примеры под AC6965A ?
Вы здесь » USMI » MCU, SoC, CPU Микроконтроллеры » JL SoC. 杰理芯片