Тогда набросайте схему - а я покажу не ней пример.
Схема - это то с чего нужно начинать, дальше будет понятнее.
Спасибо, вам.
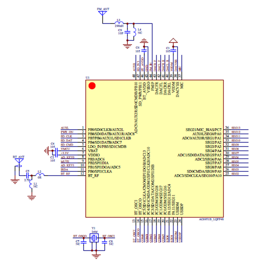
Схема модуля очень проста и она типовая:
далее аналоговые сигналы с выводов DACL и DACR поступают на вход усилителей мощности левого и правого канала, собранных на LTK5128.
Алгоритм работы данного модуля: подаем питание - модуль создает Bluetooth устройство (приемник) - коннектимся к этому устройству - выводим звук на устройство.
Какой алгоритм работы нужен мне: подаем питание - модуль создает Bluetooth ПЕРЕДАТЧИК - модуль ищет и коннектится к доступной Bluetooth гарнитуре - на модуле выполняется мой простой код и выводится аудиосигнал через Bluetoщth соединение. Аудио сигнал - моно, уровень линейного выхода, по частоте 500 Гц - 3 кГц.
Подскажите, это реализуемо на базе имеющегося у меня модуля?

