Либо просто использовать isd_download от AC690, где нет проверки ключей,
Здравствуйте.
Спасибо за подсказку.
Да, скинул 2 файла ( isd_download.exe и isd_tools.cfg) от ac69_sdk_v2012_p4
Так же запустил download.bat с прописанной строкой, с этого поста. (предварительно добавил в строку свои mp3)
JL SoC. 杰理芯片
Прошилось без ошибок.
Soundbar завелся и работает.
Спасибо.
P.S. Попробовал повторно прошивку с помощью cmd.
Так же прошилось нормально.
Soundbar запустился.
- Подпись автора
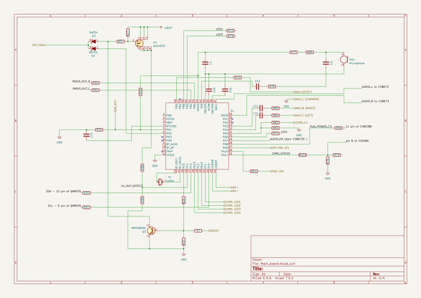
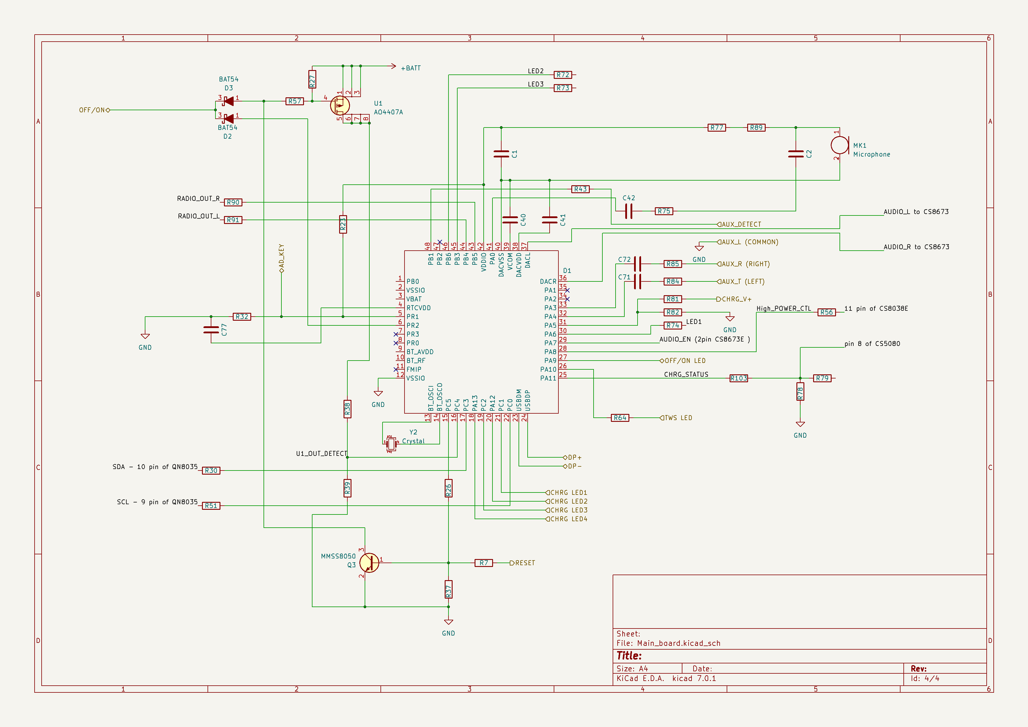
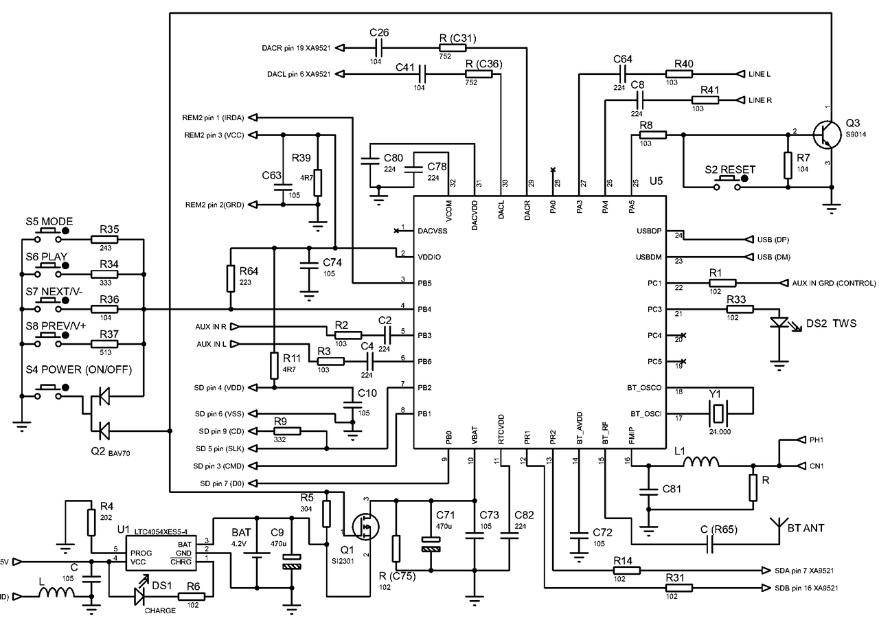
soundbar BS-28B
soundbar BS-18



