Great work Bios. I’m also a hardware guy but trying to understand the software guys. What is in the bin file? Is it the code to enter the bootloader or something else.
JL SoC. 杰理芯片
Сообщений 421 страница 440 из 1780
Поделиться4222023-04-22 02:19:49
What is in the bin file? Is it the code to enter the bootloader or something else.
You mean the bin file for the USB Updater V3 dongle?
Well, it's just a firmware image that contains the dongle's logic, which needs to be directly flashed into the chip's flash (so the BFU file basically contains this very file to allow for it to be flashed via standard firmware upgrade procedure).
So yeah, this can be thought as "code to enter the bootloader" too, with some extra things on top. (e.g. it seems like it can also emulate the CH340 USB-UART chip too, at least to some extent)
Отредактировано kagaimiq (2023-04-22 02:21:07)
- Подпись автора
水Mizu-DEC JLtech since 22.06.2019
Поделиться4232023-04-23 13:01:23
thanks kagaimiq. You have done some great work here. I have been trying out the jltest.py script in Pycharm IDE. It works well for reading the binary from internal flash. I'm still looking at all the back messages in this thread. I want to try your decrypt python script. I guess I need to insert the chipkey I have in the binary dump for that?
Поделиться4242023-04-29 03:33:15







- Подпись автора
USMicro(R) (C)2025
Поделиться4252023-04-30 04:31:27
Announce
BT Transmitter SDK for 690x SoC
BT Transmitter SDK For 692x SoC
Lightweight (only TWS) SDK for 696 SoC
----------------------------------------------
Devboards
6905
6925
6926
6082
6969
6965
6966
6973
- Подпись автора
USMicro(R) (C)2025
Поделиться4262023-05-02 00:19:05
AC6956L
Можно с ней что нибудь сделать? для начала болтливую женщину убрать?
Поделиться4272023-05-02 21:40:48
Можно с ней что нибудь сделать? для начала болтливую женщину убрать?
AC6956L
Попобовал снять дамп, JieLiDumper и JLDFUTool говорят: . I don't know who [BR23 ] is!
jltest.py что-то скачал 512к, дальше сначала повторяется.
прогнал весь дамп через recrypt.py, последние разумные слова исчезли.
пытался понять что здесь имеется в виду но но увы
В данном примере тут было для AC692x, и оно подойдет для AC690x...
Но в AC695x/AC696x/... формат прошивки уже другой, и поэтому область ищется по другому.
Заголовок говорит только о начале этой секции (и обычно она начинается в 0x1000, ибо uboot.boot маленький + всё там расположено тесно друг к другу), а длина там не указывается, поэтому это надо находить вручную.Ну и в этой области формат тоже другой.
Поделиться4282023-05-03 04:50:02
пытался понять что здесь имеется в виду но но увы
Я тут имел ввиду, что если расшифровать заголовок, то там будет адрес начала основной части прошивки (app_dir_head), но размер там будет 0xFFFFFFFF (т.е. не указан), как впрочем и CRC (тоже 0xFFFF)
Если расшифровать заголовок, то можно будет увидеть описание файла (секции) 'app_dir_head', что описывает основную часть прошивки, и с него узнать его адрес, и то, что размер у него 0xFFFFFFFF и CRC тоже 0xFFFF.
То есть, размер тут не указан, как и его CRC, что впрочем позволяет изменять тело прошивки без нужды в редактировании заголовка, ибо в более старом формате чтобы что-то поменять надо ещё править кучу CRC, да и вообще сама структура такая, что проще выдернуть оттуда основные файлы (sdram.app/sdk.app и bt_cfg.bin) и потом пересобрать через isd_download.
После расшифровки тела прошивки с ключём с чипа (chipkey), можно будет увидеть это:
В начале этой секции можно увидеть заголовок для секции 'app_area_head', у которого можно узнать размер этой всей секции (включая и этот заголовок). У неё есть ещё и CRC, но он не касается того, что идёт дальше.
А дальше можно будет увидеть заголовок для другой секции - 'tone', в которой собственно и хранятся различные звуковые сообщения.
Ну и конец тела определяется по размерам всех секций в нём: (т.е. app_area_head, tone, ...)
для начала болтливую женщину убрать?
По сути тут надо отредактировать ту секцию со звуками, например если надо избавиться от всех звуков, то тогда достаточно будет в заголовке прописать, что размер там - 0 байт, ну и подправить CRC.
Если надо как-то селективно, то тогда надо пересобирать эту секцию (в SDK она хранится в файле tone.cfg)
- Подпись автора
水Mizu-DEC JLtech since 22.06.2019
Поделиться4302023-05-03 21:24:45
что делаю не так?
Тут надо не свой чипкей указывать, а 0xFFFF.
- Подпись автора
水Mizu-DEC JLtech since 22.06.2019
Поделиться4312023-05-03 22:07:30
Тут надо не свой чипкей указывать, а 0xFFFF.
Спасибо, работает, видимо я это где-то недочитал.
Поделиться4322023-05-07 21:06:01
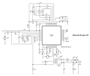
Здравствуйте. Может кто-нибудь знает что это за чип? Маркировка BP00739-56LC. В знакомых мне таблицах не нашел. Плата из блютуз наушников.
Короче, это точно такая же история как и с другими чипами Shenzhen Lenze technology Co,.LTD
У них просто чипы от JL но перемаркер под свои нужды.
Например AC6904T (на который даташита нет, только всякий мусор в виде схем от гарнитур только есть в сети)
АС6904Т в конторе Shenzhen Lenze technology обозвали LC6904A.
А у вас на плате LC6956A, 
какой чип в оригинале был - пока не понятно. Не похоже ни на A,B,C,D,F (в данном чипе на фото 6 нога - питание VBAT. в A,B,C,D,F нет такого) , так что можно сделать вывод что они заказываеют отдельно чипы на JL (например какую ни будь серию T о которой инфы ноль) и тупо перемаркировывают там же. Там же где Shenzhen Lenze technology затаривается и перемаркировывает чипы - делает ещё одна контора - Shenzhen Qingyue Electronics Co., Ltd. тоже заняты такой же херней. Только они меняют и название и логотип. 
- Подпись автора
USMicro(R) (C)2025
Поделиться4332023-05-07 21:13:53
I guess I need to insert the chipkey I have in the binary dump for that?
What you try to do?
- Подпись автора
USMicro(R) (C)2025
Поделиться4342023-05-08 00:05:09
Портанул AudioLink (i2s DAC) из первых ревизий 2.5.1 в самый последний свой сдк. (Я за основу своего брал последнюю официальную версию 2.6.3) - было не трудно, что удивительно. Да и все заработало со второй попытки.
Отлично работает, для лучшего качества звука используется 4 - проводное подключение. С мастерклоком от чипа (до 12МГц) , если же использовать 3-х проводное подключение - то тактироваться DAC чип будет от внутреннего генератора порядка 2МГц.
Буде экспериментировать с внешним тактовым генератором до 50МГц.

Довольно круто звучит внешний ЦАП по сравнению со встройкой.
- Подпись автора
USMicro(R) (C)2025
Поделиться4352023-05-08 00:58:32
Еще вожусь с дисплеями разными по I2C , и делаю в связке с LVD - индикатор батарейки/заряда/разряда, прям как на мобилках) + RGB светодиод для уровня батарейки (разные режимы работы и тд) + уведомления о низком заряде, и тд)
- Подпись автора
USMicro(R) (C)2025
Поделиться4362023-05-08 23:35:48
Короче, это точно такая же история как и с другими чипами Shenzhen Lenze technology Co,.LTD
У них просто чипы от JL но перемаркер под свои нужды.
Например AC6904T (на который даташита нет, только всякий мусор в виде схем от гарнитур только есть в сети)
АС6904Т в конторе Shenzhen Lenze technology обозвали LC6904A.
А у вас на плате LC6956A, какой чип в оригинале был - пока не понятно. Не похоже ни на A,B,C,D,F (в данном чипе на фото 6 нога - питание VBAT. в A,B,C,D,F нет такого)
Отображается как BR23 UBOOT1.00. Вот схема:
Поделиться4372023-05-09 00:29:10
А чем кстати в бутлоадер переводите?
- Подпись автора
USMicro(R) (C)2025
Поделиться4382023-05-09 01:20:54
А чем кстати в бутлоадер переводите?
Донглом "для бедных" - Ардуино
Поделиться4392023-05-09 15:44:15
Уважаемый Гуру этого форума, можно по-подробней рассказать о микросборке AS20BPO1741-25F4 и представить все файлы если есть для неё.Благодарю за помощь
Поделиться4402023-05-09 16:04:05
Зачем же так официально?
AC6925F4 обычный проц 692 серии. Все файлы есть в шапке.
- Подпись автора
USMicro(R) (C)2025





